Opis
Dlaczego warto wybrać te wentylatory:
– Trwałość: wykonane z wysokiej jakości materiałów (wyłącznie materiałów odpornych na korozję, takich jak zaawansowane
technologicznie tworzywa sztuczne, włókno szklane i metale poddane obróbce), które są odporne na ekstremalne warunki
otoczenia
– Niezawodność: silnik odporny na wodę i kurz (IP55) oraz izolacja klasy F
– Niski poziom hałasu tworzy komfortowe środowisko dla ludzi i zwierząt.
– Łatwa instalacja i konserwacja.
– Zakres rozmiarów: od 30 do 92 cm, co pozwala dobrać wentylator do dowolnych potrzeb.
– Zakres temperatur: do 40°C, dzięki czemu nadają się do użytku w gorących warunkach.
– Wysoka wydajność i energooszczędność
– 3-letnia gwarancja
Dostępne opcje:
– Kratka wlotowa lub wylotowa zgodna z CE (wpływa na wydajność)
– Zestaw ochrony przed niekorzystnymi warunkami pogodowymi System 1. Chroni wentylator przed promieniowaniem UV,
niekorzystnymi warunkami pogodowymi i silnym wiatrem. Zestaw obejmuje wentylator panelowy, osłonę z włókna szklanego,
żaluzję i osłonę dla przewodów. Dzięki konstrukcji osłony ochronnej zestaw ten można łatwo zamontować wewnątrz ściany.
– Technologia ECplus zapewniająca większą oszczędność energii to idealne połączenie wysokiej wydajności, niezawodności i
oszczędności energii. Testy wykazały, że wentylator ECplus może zaoszczędzić do 80% energii w porównaniu do
standardowych systemów. Regulator prędkości wentylatora ECplus można wymienić ręcznie, aby zmniejszyć ryzyko operacyjne.
Oferujemy szeroką gamę wentylatorów:
- Wentylator panelowy (ścienny) ø300 mm (30 cm), 230/400 V, 50 Hz
- Wentylator panelowy (ścienny) ø350 mm (35 cm), 230/400 V, 50 Hz
- Wentylator panelowy (ścienny) ø400 mm (40 cm), 230/400 V, 50 Hz
- Wentylator panelowy (ścienny) ø450 mm (45 cm), 230/400 V, 50 Hz
- Wentylator panelowy (ścienny) ø500 mm (50 cm), 230/400 V, 50 Hz
- Wentylator panelowy (ścienny) ø560 mm (56 cm), 230/400 V, 50 Hz
- Wentylator panelowy (ścienny) ø630 mm (63 cm), 230/400 V, 50 Hz
- Wentylator panelowy (ścienny) ø710 mm (71 cm), 230/400 V, 50 Hz
- Wentylator panelowy (ścienny) ø920 mm (92 cm), 230/400 V, 50 Hz
Dane techniczne – jednofazowy
|
Artykuł nr.
|
ø (сm)
|
Zasilanie |
(n) RPM
|
Pin (W)
|
Inom (A)
|
Qv (m3/h) |
SFP @0Pa
(W/1000 m3/h) |
dB(A)
* |
Sterowanie **
|
|||||||
| ~ | V | Hz | 0 Pa | 30 Pa | 50 Pa | 80 Pa | 100 Pa | 150 Pа | ||||||||
| V4E30CAM10100 | 30 | 1 | 230 | 50 | 1.415 | 100 | 0,5 | 2.300 | 2.050 | 1.700 | – | – | – | 43,2 | 47 | E / T |
| V4E35C1M10100 | 35 | 1 | 230 | 50 | 1.375 | 140 | 0,6 | 3.400 | 3.000 | 2.600 | – | – | – | 40,8 | 51 | E / T |
| V4E35AAM10100 | 35 | 1 | 230 | 50 | 1.455 | 150 | 0,8 | 3.600 | 3.300 | 3.050 | – | – | – | 40,9 | 51 | – |
| V4E40CAM10100 | 40 | 1 | 230 | 50 | 1.415 | 200 | 0,9 | 4.900 | 4.450 | 4.100 | 3.350 | – | – | 40,7 | 54 | E / T |
| V4E45CAM10100 | 45 | 1 | 230 | 50 | 1.405 | 300 | 1,5 | 6.550 | 6.000 | 5.600 | 4.900 | – | – | 46,4 | 56 | E / T |
| V6E50AAM10100 | 50 | 1 | 230 | 50 | 950 | 170 | 0,9 | 5.600 | 4.800 | 4.150 | – | – | – | 29,6 | 49 | E / T |
| V4E50CAM10100 | 50 | 1 | 230 | 50 | 1.370 | 400 | 1,8 | 8.300 | 7.600 | 7.100 | 6.300 | 5.600 | – | 48 | 58 | E / T |
| V6E56AAM10100 | 56 | 1 | 230 | 50 | 910 | 280 | 1,3 | 8.350 | 7.250 | 6.350 | – | – | – | 33 | 50 | E / T |
| V6E63AAM10100 | 63 | 1 | 230 | 50 | 935 | 500 | 2,2 | 11.500 | 10.600 | 9.850 | 8.500 | – | – | 43,1 | 58 | E / T |
| V6E71AAM10100 | 71 | 1 | 230 | 50 | 930 | 520 | 2,3 | 13.500 | 12.300 | 11.200 | 9.350 | – | – | 38,2 | 56 | E / T |
| V6E92AAM10100 | 92 | 1 | 230 | 50 | 910 | 590 | 2,7 | 17.300 | 15.600 | 14.200 | 11.400 | – | – | 34,2 | 66 | E / T |
Dane techniczne – trójfazowy
|
Artykuł nr.
|
ø (cm)
|
Zasilanie |
(n) RPM
|
Pin (W)
|
Inom (A) | Qv (m3/h) |
SFP @0Pa
(W/1000 m3/h) |
dB(A)
* |
Sterowanie **
|
|||||||||
| ~ | V (Δ / Y) | Hz | Δ | Y | 0 Pa | 30 Pa | 50 Pa | 80 Pa | 100 Pa | 150 Pa | 200 Pa | |||||||
| V4D30AAM10100 | 30 | 3 | 230/400 | 50 | 1.435 | 110 | 0,5 | 0,3 | 2.350 | 2.100 | 1.750 | – | – | – | – | 44,5 | 48 | T / F |
| V4D35AAM10100 | 35 | 3 | 230/400 | 50 | 1.440 | 140 | 0,6 | 0,4 | 3.550 | 3.200 | 2.950 | – | – | – | – | 39,3 | 50 | T / F |
| V4D40AAM10100 | 40 | 3 | 230/400 | 50 | 1.405 | 210 | 0,8 | 0,4 | 4.950 | 4.500 | 4.200 | 3.450 | – | – | – | 41,5 | 53 | T / F |
| V4D45AAM10100 | 45 | 3 | 230/400 | 50 | 1.370 | 280 | 1 | 0,6 | 6.450 | 5.900 | 5.450 | 4.750 | – | – | – | 43,2 | 54 | T / F |
| V6D50AAM10100 | 50 | 3 | 230/400 | 50 | 965 | 210 | 0,9 | 0,5 | 6.550 | 5.700 | 4.950 | – | – | – | – | 31,8 | 48 | F |
| V4D50AAM10100 | 50 | 3 | 230/400 | 50 | 1.415 | 410 | 1,6 | 0,9 | 8.600 | 8.000 | 7.550 | 6.750 | 6.100 | – | – | 47,8 | 58 | T / F |
| V6D56AAM10100 | 56 | 3 | 230/400 | 50 | 955 | 290 | 1,1 | 0,6 | 8.750 | 7.750 | 7.000 | – | – | – | – | 32,6 | 51 | F |
| V4D56AAM10100 | 56 | 3 | 230/400 | 50 | 1.455 | 950 | 3,6 | 2,1 | 13.100 | 12.500 | 12.000 | 11.300 | 10.900 | 9.400 | – | 72,7 | 65 | F |
| V6D63AAM10100 | 63 | 3 | 230/400 | 50 | 965 | 520 | 2,3 | 1,3 | 11.900 | 11.000 | 10.400 | 9.150 | 8.100 | – | – | 43,9 | 59 | F |
| V4D63AAM10100 | 63 | 3 | 230/400 | 50 | 1.450 | 1.000 | 3,5 | 2 | 14,7 | 14.000 | 13.600 | 12.800 | 12.200 | 10.200 | – | 65,6 | 69 | F |
| V4D63ABM10100 | 63 | 3 | 230/400 | 50 | 1.460 | 1.400 | 5,2 | 3 | 17.900 | 17.100 | 16.600 | 15.800 | 15.300 | 13.900 | 12.000 | 77,1 | 69 | F |
| V6D71AAM10100 | 71 | 3 | 230/400 | 50 | 945 | 690 | 2,5 | 1,4 | 15.300 | 14.200 | 13.300 | 11.800 | 10.500 | – | – | 44,9 | 59 | F |
| V4D71AAM10100 | 71 c | 3 | 230/400 | 50 | 1.435 | 1.150 | 3,9 | 2,2 | 17.500 | 16.800 | 16.300 | 15.600 | 15.000 | 13.300 | – | 65,1 | 69 | F |
| V4D71ABM10100 | m 71 |
3 | 230/400 | 50 | 1.450 | 1.650 | 5,6 | 3,3 | 21.400 | 20.600 | 20.000 | 18.900 | 18.200 | 16.500 | 14.300 | 76,3 | 69 | F |
| V6D92AAM10100 | 92 | 3 | 230/400 | 50 | 945 | 760 | 2,7 | 1,6 | 21.100 | 19.400 | 17.900 | 15.200 | 12.900 | – | – | 36,2 | 66 | F |
* Poziom ciśnienia akustycznego (LpA) w odległości 7 metrów od środka wentylatora
** Transformatorowa regulacja napięcia (T), regulacja częstotliwości (F), elektroniczna / triakowa / półprzewodnikowa
regulacja napięcia (E)
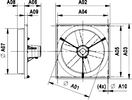
Wymiary (mm)
| ø (cm) | A01 | A02 | A03 | A04 | A05 | A06 | A07 | A08 | A09 | A10 |
| 30 | 312 | 443 | 443 | 395 | 395 | 192 | 340 | 84 | 36 | 8 |
| 35 | 362 | 493 | 492,5 | 445 | 445 | 192 | 390 | 84 | 36 | 8 |
| 40 | 415 | 543 | 543 | 495 | 495 | 192 | 440 | 84 | 36 | 8 |
| 45 | 460 | 593 | 593 | 545 | 545 | max. 247 | 490 | 84 | 36 | 8 |
| 50 | 512 | 648 | 648 | 600 | 600 | max. 247 | 540 | 84 | 36 | 8 |
| 56 | 574 | 700 | 700 | 640 | 640 | max. 247 | 600 | 105 | 40 | 10 |
| 63 | 646 | 775 | 775 | 715 | 715 | max. 247 | 670 | 105 | 40 | 10 |
| 71 | 712 | 850 | 850 | 790 | 790 | 247 | 740 | 105 | 40 | 10 |
| 92 | 915 | 1005 | 1005 | 947 | 947 | 247 | 940 | 93 | 40 | 10 |

Oszczędzaj więcej energii
Standardowe wentylatory Multifan są również dostępne w dodatkowej wersji energooszczędnej. Dzięki regulatorowi częstotliwości MFD prędkość tych wentylatorów może być bezstopniowo zmniejszana. Na każde 20% redukcji prędkości, zużycie energii przez wentylator spada o połowę. Aby zapewnić optymalną ochronę wrażliwej elektroniki wewnątrz kontrolera, wentylator jest umieszczony w oddzielnej obudowie o stopniu ochrony co najmniej IP65. Jest to ważne dla zapewnienia niezawodności nawet w najbardziej ekstremalnych warunkach.
Aby dowiedzieć się więcej o konkretnych modelach i uzyskać porady dotyczące wyboru wentylatora, skontaktuj się z naszymi specjalistami.










