Opis
- Ten silos paszowy przeznaczony jest wyłącznie do zasypu paszą o maksymalnej gęstości 650 kg/m³.
- Musi być ustawiony i wypoziomowany tak, aby wszystkie jego nogi nie różniły się poziomem posadowienia względem jednego punktu odniesienia o ±2 mm.
- Nogi zmontowanego silosu muszą mieć idealny pion i być ustawione w regularny wielokąt o równych bokach i przekątnych.
- Wysyp silosu paszowego po zasypaniu ulega obniżeniu. Urządzenia montowane pod lejem (między lejem a posadzką) nie mogą być ciasno dopasowane do tej przestrzeni, lecz powinny posiadać teleskopowe łączenia o skoku co najmniej 1 cm.
- Silos paszowy w wykonaniu standardowym przeznaczony jest do montażu na wagach tensometrycznych z grubą i sztywną górną płytą mocującą. Nie nadaje się do montażu na konstrukcjach spedycyjnych i przejazdowych, ponieważ ich konstrukcja nie przewiduje dynamicznego rozładunku grawitacyjnego.
- Silos paszowy w wykonaniu standardowym jest projektowany na strefy klimatu umiarkowanego z wiatrem do 30m/s i śniegiem 1,2 kN
- Przewidziany do montażu metodą podnoszenia do pionu zmontowanego zbiornika lecz przy zastosowaniu dodatkowych drewnianych lub metalowych stężeń/wzmocnień nóg opisanych w instrukcji.
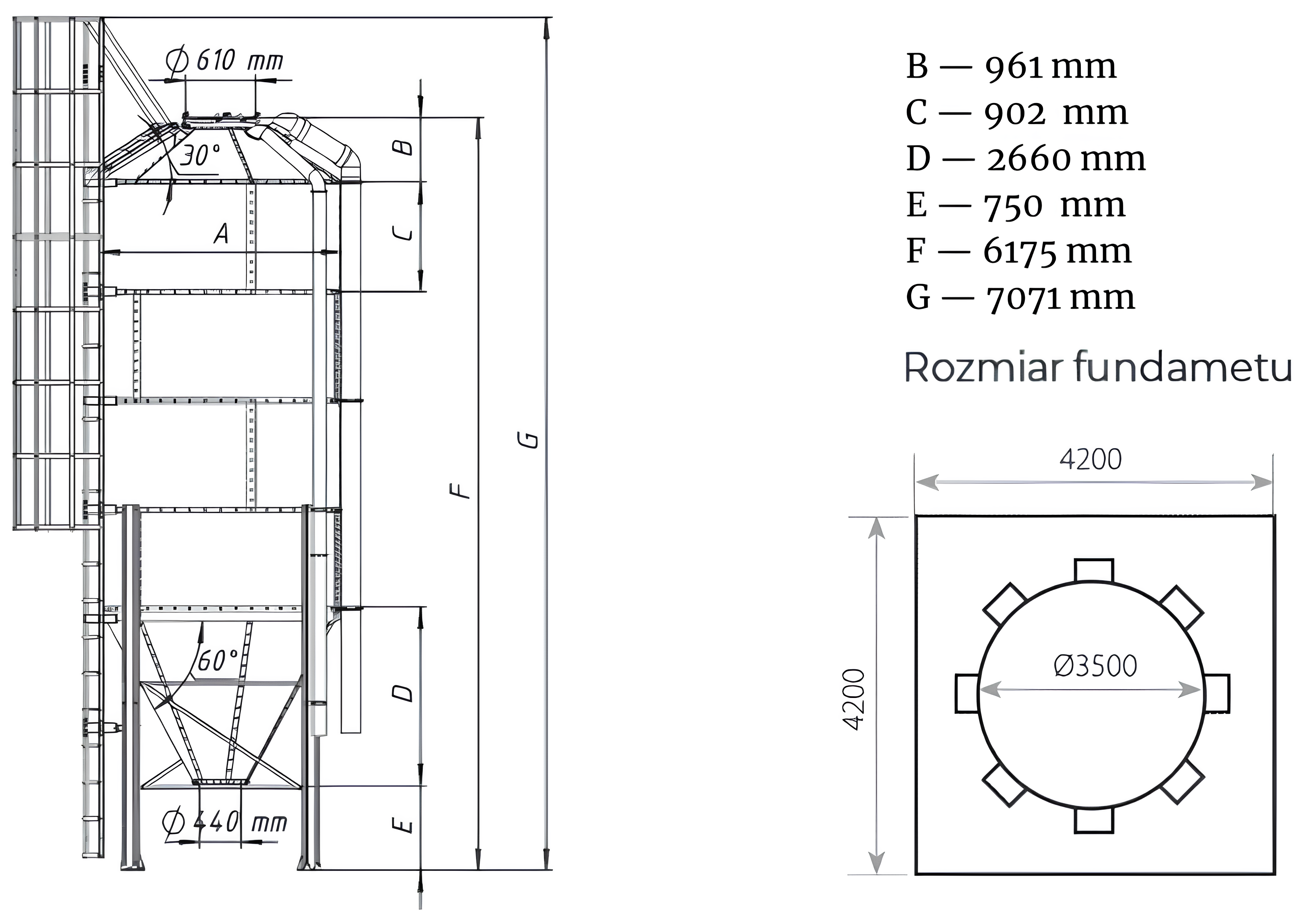
Wymiary
| Elementy wyposażenia standardowego | |||
| Zestaw do napełniania pneumatycznego | Właz silosu z napełnieniem pneumatycznym | ||
| Drabinka z osłonami | Noga – profil omega | ||
| Okienko rewizyjne | Przyłącze do paszowozu | ||
| Elementy wyposażenia opcjonalnego | |||
| Wahaczowy system otwierania górnej klapy silosu z ziemi klapa silosu nie utrudnia załadunku podajnikiem ślimakowym | Wysyp boczny | ||
| Zestaw pod silos | Zasuwa ręczna | ||
| Osłona przeciwdeszczowa | Właz inspekcyjny | ||
| Wibrator | Tensometryczny system nawilżania | ||
| Czujnik mechaniczny poziomu paszy min.-max. | |||
![]() |
centralny zasyp silosu zapobiega niesymetrycznemu obciążeniu i maksymalnie wykorzystuje wewnętrzną pojemność silosu
|
| wykonany z falistej blachy stalowej ocynkowanej, skręcony dużymi, mocnymi śrubami M10 klasy 8.8 | |
|
osłona przeciwdeszczowa – część cylindryczna zakończona okapnikiem zapobiega ściekaniu wody po leju
|
|
|
ocena napełnienia silosu przez okienka rewizyjne
|
|
| nogi wykonane z profilu Omega
|








