Silos paszowy 18,3 m³

To kompaktowe rozwiązanie do przechowywania pasz sypkich. Przeznaczone jest do montażu w gospodarstwach o ograniczonej przestrzeni i zapewnia wygodny załadunek oraz rozładunek paszy.

Główne cechy:

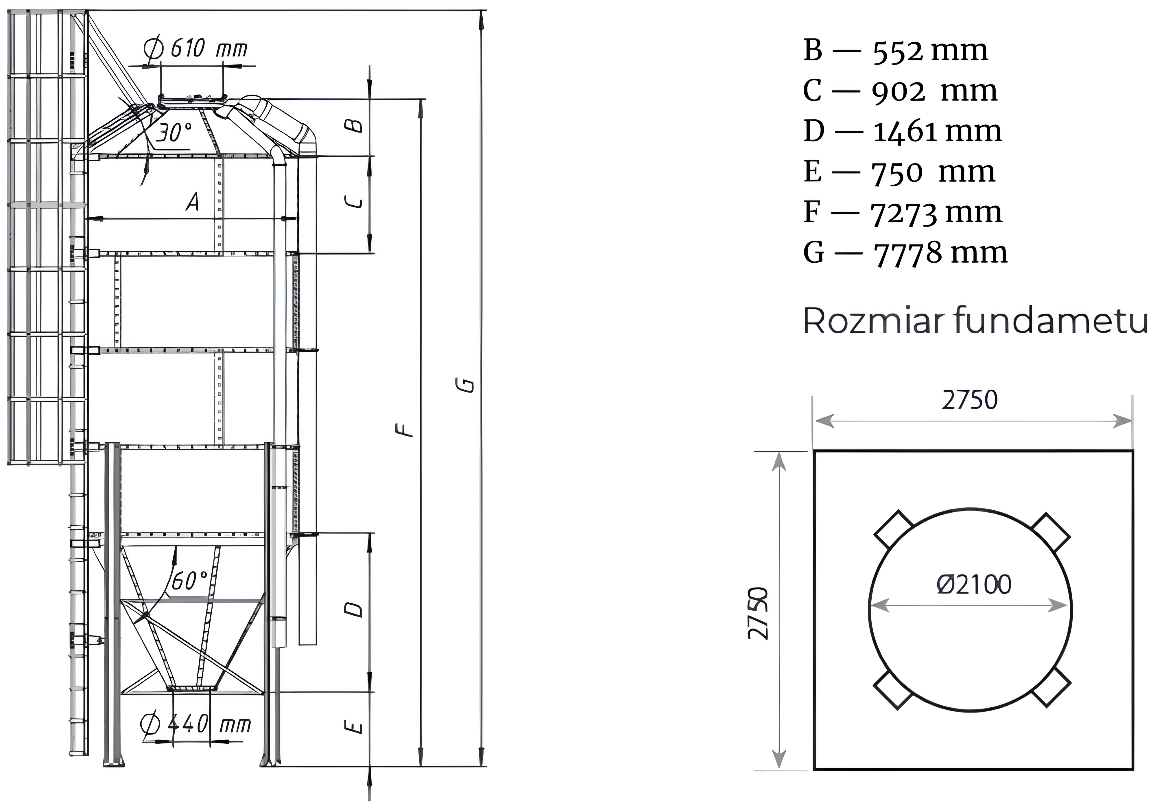
– Pojemność: 18,3 m³
– Średnica: 2,1 m
– Ładowność paszy: 11,9 t
– Liczba nóg podporowych: 4

Do produkcji silosów wykorzystywana jest wysokiej jakości blacha falista S350GD, zapewniająca wytrzymałość, precyzyjny montaż i szybkie ustawienie. Powłoka cynkowa (350 g/m²) chroni przed korozją i zachowuje estetyczny wygląd nawet po 6 latach intensywnej eksploatacji. Konstrukcja jest odporna na uszkodzenia mechaniczne — uderzenia i zarysowania nie wpływają na jej integralność.

SKU: 210-5 Kategoria:

Opis

  • Ten silos paszowy przeznaczony jest wyłącznie do zasypu paszą o maksymalnej gęstości 650 kg/m³.
  • Musi być ustawiony i wypoziomowany tak, aby wszystkie jego nogi nie różniły się poziomem posadowienia względem jednego punktu odniesienia o ±2 mm.
  • Nogi zmontowanego silosu muszą mieć idealny pion i być ustawione w regularny wielokąt o równych bokach i przekątnych.
  • Wysyp silosu paszowego po zasypaniu ulega obniżeniu. Urządzenia montowane pod lejem (między lejem a posadzką) nie mogą być ciasno dopasowane do tej przestrzeni, lecz powinny posiadać teleskopowe łączenia o skoku co najmniej 1 cm.
  • Silos paszowy w wykonaniu standardowym przeznaczony jest do montażu na wagach tensometrycznych z grubą i sztywną górną płytą mocującą. Nie nadaje się do montażu na konstrukcjach spedycyjnych i przejazdowych, ponieważ ich konstrukcja nie przewiduje dynamicznego rozładunku grawitacyjnego.
  • Silos paszowy w wykonaniu standardowym jest projektowany na strefy klimatu umiarkowanego z wiatrem do 30m/s i śniegiem 1,2 kN
  • Przewidziany do montażu metodą podnoszenia do pionu zmontowanego zbiornika lecz przy zastosowaniu dodatkowych drewnianych lub metalowych stężeń/wzmocnień nóg opisanych w instrukcji.

Wymiary

Elementy wyposażenia standardowego
Zestaw do napełniania pneumatycznego Właz silosu z napełnieniem pneumatycznym
Drabinka z osłonami Noga – profil omega
Okienko rewizyjne Przyłącze do paszowozu
Elementy wyposażenia opcjonalnego
Wahaczowy system otwierania górnej klapy silosu z ziemi klapa silosu nie utrudnia załadunku podajnikiem ślimakowym Wysyp boczny
Zestaw pod silos Zasuwa ręczna
Osłona przeciwdeszczowa Właz inspekcyjny
Wibrator Tensometryczny system nawilżania
Czujnik mechaniczny poziomu paszy min.-max.

 

centralny zasyp silosu zapobiega niesymetrycznemu obciążeniu i maksymalnie wykorzystuje wewnętrzną pojemność silosu

 

wykonany z falistej blachy stalowej ocynkowanej, skręcony dużymi, mocnymi śrubami M10 klasy 8.8
osłona przeciwdeszczowa – część cylindryczna zakończona okapnikiem zapobiega ściekaniu wody po leju
ocena napełnienia silosu przez okienka rewizyjne
nogi wykonane z profilu Omega